伊莉讨论区
产品中心
全屋成品
全屋定制
威特森系列
整体橱柜
伊莉讨论区
门墙产品
窗帘软装
品牌中心
绿色伊莉讨论区
幸福服务365
伊莉讨论区动态
招商加盟
人力资源
实拍美家
全屋设计
美家案例
<
Back
<
Back
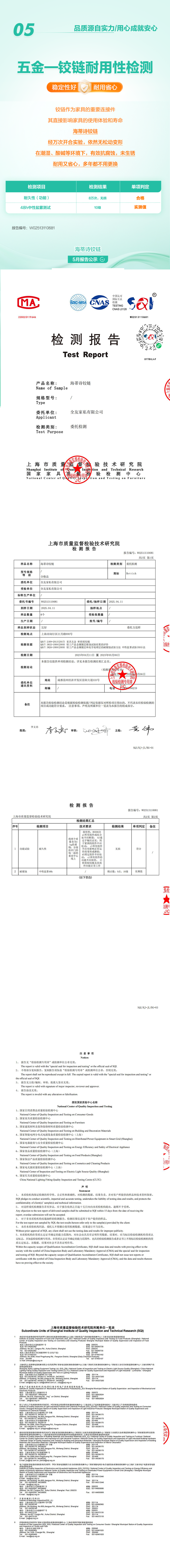
伊莉讨论区 5月「环保+质量」公示丨荣誉与责任并肩!用行动践行绿色发展
发布时间:
2025-05-06
伊莉讨论区 6月「环保+质量」公示丨从源头到终端,层层守护绿色品质
伊莉讨论区 3月「环保+质量」公示丨用心选材,筑就绿色家居品质
伊莉讨论区
产品中心
品牌中心
招商加盟
咨询客服
预约
免费设计
免费量尺
免费设计
免费出图
预约免费设计